ワンボードマイコンをつくろう!(パソコンの原点はここから始まった)
TK80ソフトコンパチブル!8080、Z80マシン語からBASICまでこれ1台でこなせます
[第156回]
●ND80Z4Eの試作検証が終りました
前回の更新からまた5日ほどが経ってしまいました。
毎日暑い暑いと言っていましたのに本日はもう彼岸の入りです。
やっと少し朝晩涼しくなってきてようやく秋の気配がしてきました。
「ラジオの製作」でご紹介いただいたお蔭でND80Z3.5のご注文をたくさんいただきパーツの手配などに大忙しの毎日です。
感謝感謝です。
もっとも今回のND80Z3.5のご注文については私としては全く想定外のことで有り難いことではありますけれど本来予定しておりましたND80Z4Eの開発作業を止めるわけにはいきません。
ND80Z3.5の出荷のための準備と並行してND80Z4Eの製作作業も進めなければなりません。
当分は多忙な毎日が続きそうです。
ということで。
先日来作業をしてきましたND80Z4Eの試作版の検証作業がやっと終りました。
自分としてはうまく設計したつもりだったのですが、やっぱりというか、当然のことといいますか、こんな状態になってしまいました。

配線はしっかりチェックしたので配線ミスはほとんどなかったのですがやっぱり考え方に甘いところがあって回路の変更が必要になりました。
そうそう。
一体どのように基板のアートワークをやっているのだろうと興味をもたれる方もいらっしゃるかと。
最近はいろいろ便利なソフトもあるようですね。
しかし私はなにしろ昔人間ですので基板の配線などは自分で引き回しをしないと納得できません。
昔ながらの手配線感覚でやっています。
とりあえずの配線をしたあとは配線の確認図をプリントアウトして回路図とつきあわせてチェックします。
こんな具合です。

ローテクのきわみであります。
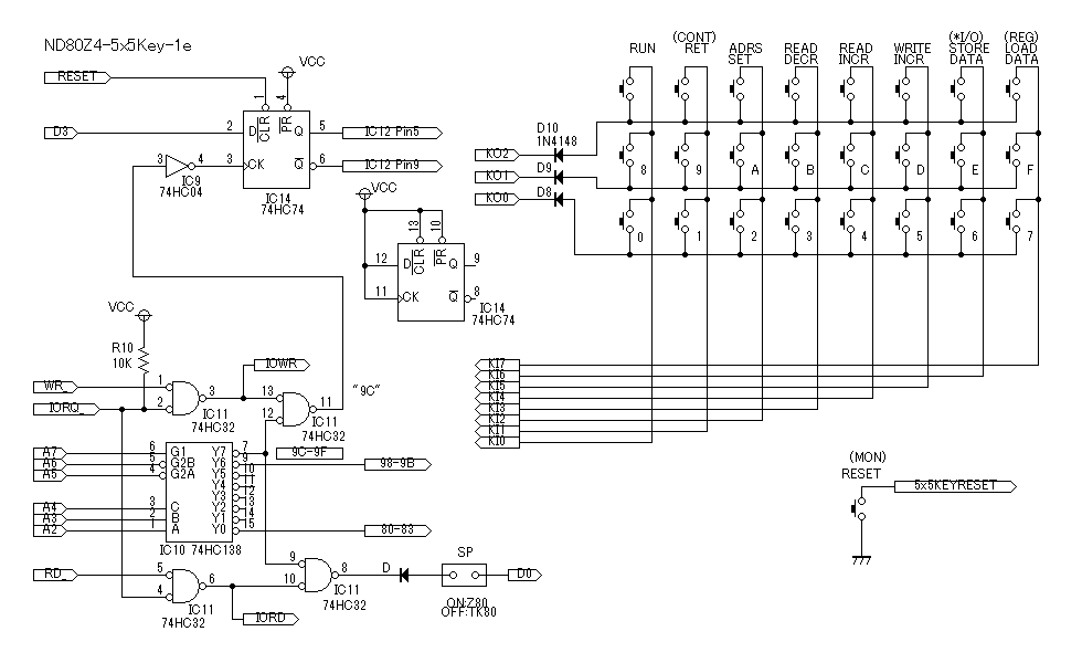
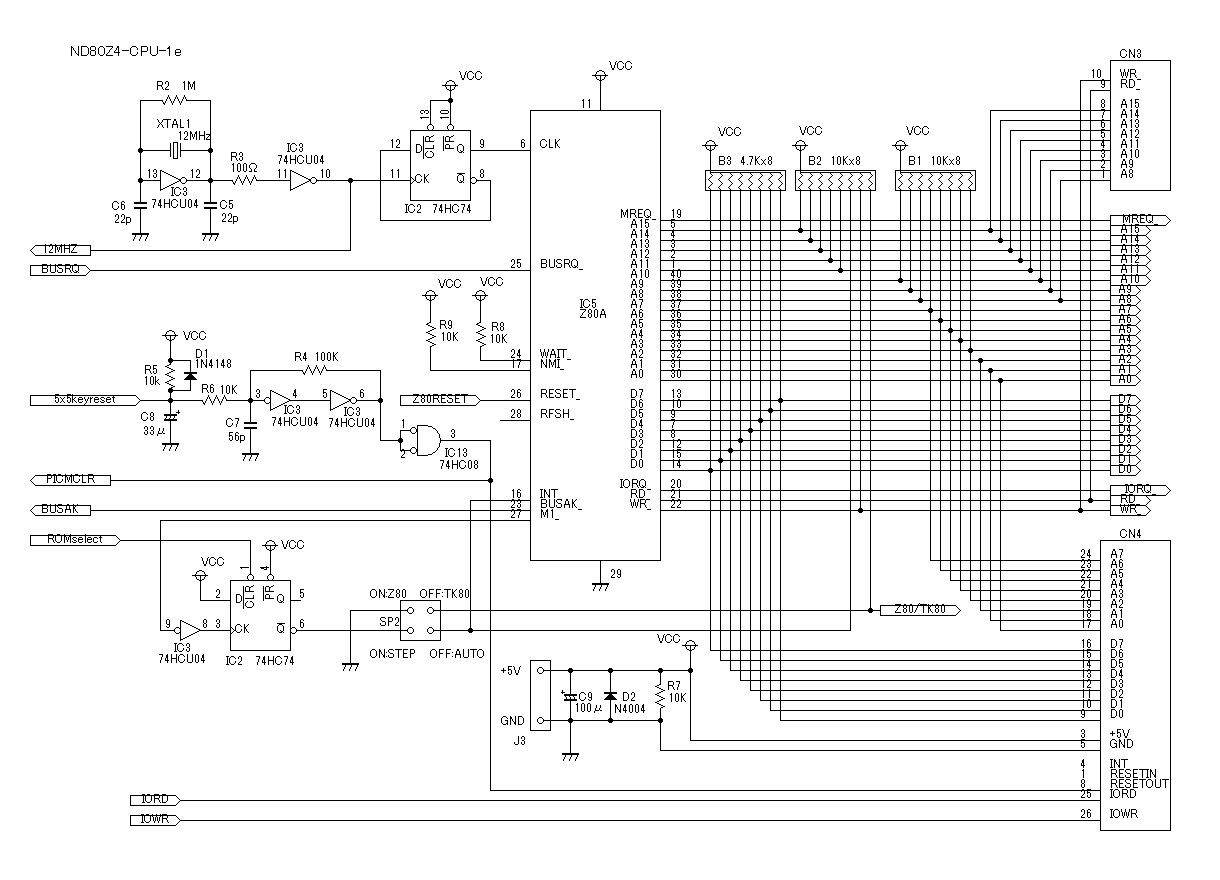
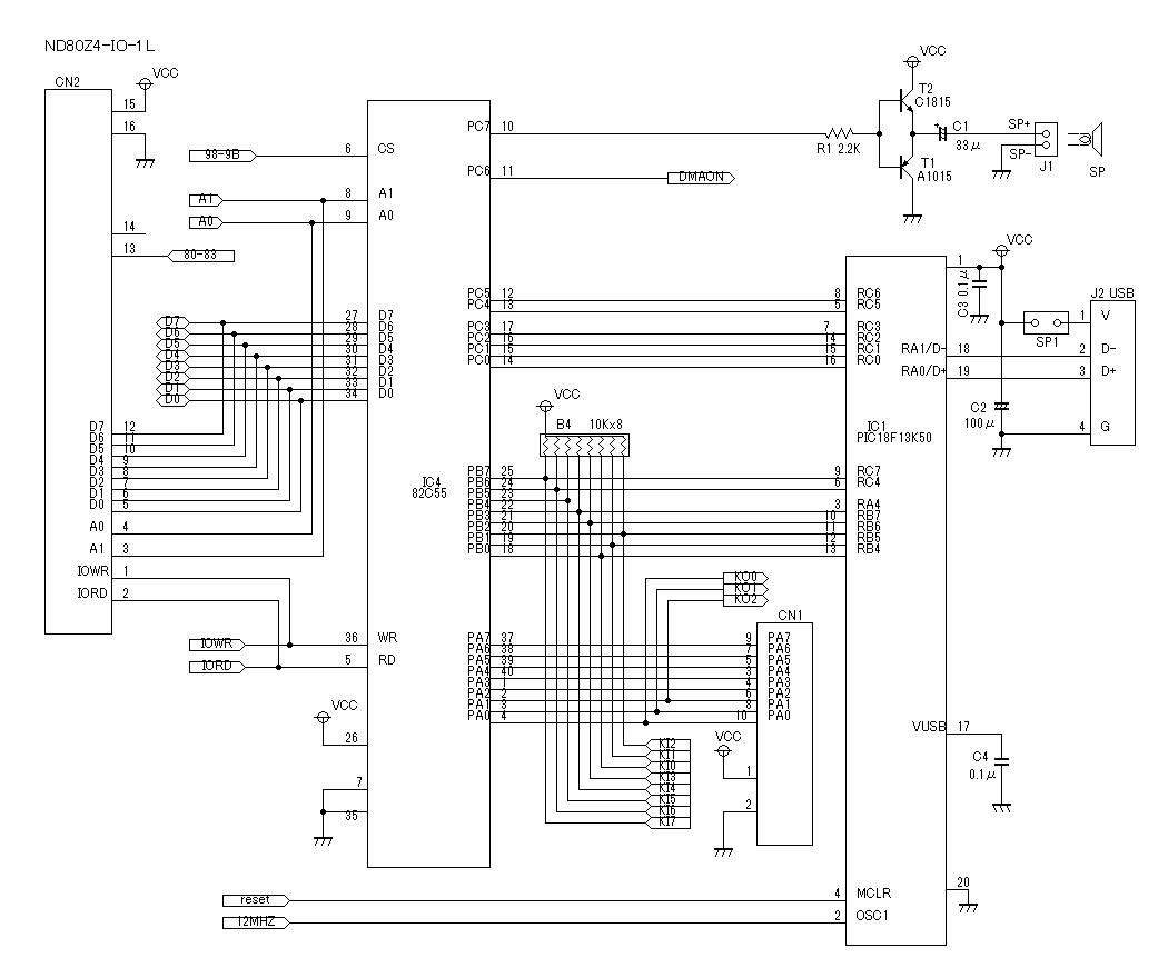
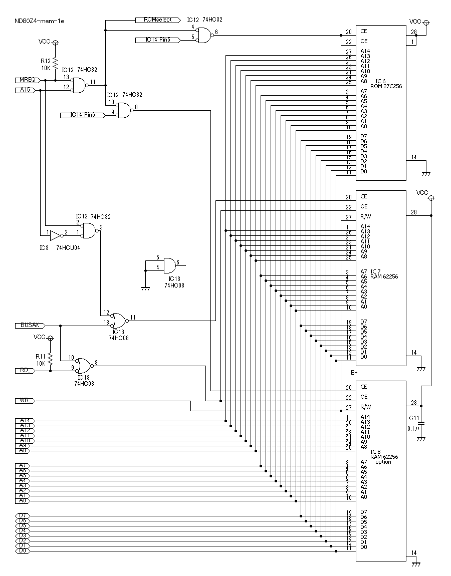
こちらは回路図です。





以上は最終的に確定した(つもりの)回路図です。
とりあえずの試作基板の回路からそこそこ変更することになりましたので、もう一度基板の作り直しです。
すでに基板の製作を発注し現在はそれが出来上がってくるのを待っている状態です。
その基板が出来てきたらもう一度パーツを実装して動作確認をします。
それで問題がなければいよいよ販売開始です。
ワンボードマイコンをつくろう![第156回]
2025.9.21upload
前へ
次へ
ホームページトップへ戻る