標準TTLだけ(!)でCPUをつくろう!(組立てキットです!)
(ホントは74HC、CMOSなんだけど…)
[第296回]
●マシンクロックの測定
☆☆☆今回は組立説明書本文から離れて、いつものホームページ記事として書いています☆☆☆
やっとCPU回路の組立の最初のステップである、「RESET及びCLOCK回路」が完了しました。
前回、リセット回路とクロック回路だけをやっと実装し終った、MYCPU80基板に電源をつないで、動作を確認するところの説明をしました。
ですけれど、見た目には5個並んだマシンクロックの状態を表示するLEDが、ものすごく高速でパルス点灯するために、5個全部が点灯しているようにしか見えません。
「とりあえず5個のLEDが全部点灯して見えたら、回路は正しく動いている」と前回書きましたが、本当はこの文には「多分」という言葉がついています。
ハンダゴテとテスターしかない、普通の環境ではその程度しかわからないので仕方がありません。
●もしオシロスコープが有るのでしたら…
もしもオシロスコープをお持ちでしたら、動作確認はいとも簡単です。
LEDに表示パルスを出力している、74HC04の出力をオシロスコープで確認してみれば、回路が正しく動作しているかどうかはすぐにわかります。
測定のポイントを確認するために、クロック部分の回路図をお見せします。
●MYCPU80回路図bP

MYCPU80の一番元となるCPUクロックの水晶発振回路です。
MYCPU80組立キットには、32枚の回路図が付属します。
上の図はその32枚の回路図のうちの1枚目、MYCPU80回路図bPから一部だけを切り取って示したものです。
[注記]じつは、昨日、今回分の記事を書いてUPしたときには、回路図の一部だけではなくて、回路図bP全体をここにはめ込んでいたのですけれど、一晩寝て、本日になってからあらためて見直してみましたら、どうにも読みにくいことに気がつきました。
で、説明に必要な部分だけを切り取って示すことにいたしました。
回路図bP全体図はリンクをクリックしてご覧ください、
なお、全体図で緑色で着色してあるところは、今回の部品取付作業でプリント基板に実装した部分です(水色は次に作業をする部分です)。
全体図の左上に水晶発振回路があります。
4MHzのクリスタルを発振させて、原発振クロックを得ています。
その後ろにある74HC74で原発振クロックを2分周して2MHzにしています。
クリスタルを発振させた、生の波形はデューティ(パルスのHの期間とLの期間の比率)が50%ではないことが多いので、このようにフリップフロップを一段入れてデューティが50%のきれいな波形をつくるようにします。

74HC74のCKに入力されたパルスが図のようにデューティが50%ではなくて、HかLのどちらかの期間が長いような波形でも、Q_出力をD入力にフィードバックさせることによって、入力周波数の2分の1の周波数でデューティが50%のパルスを出力させることができます。
さて、上の水晶発振回路のIC239(74HC74)のpin3の入力信号をオシロスコープで見ると、4MHzの方形波を見ることができます。
そしてpin5またはpin6の出力をオシロスコープで見ると2MHzの方形波を見ることができます。
IC239(74HC74)pin5から出力された2MHzのCLOCK信号はその後ろのIC242(74HC00)の2段のゲートを通って後段に伝えられます。
IC242(74HC00)pin8から出ている、2,4CLKという矢印ラベルマークは、回路図bQ及びbSのCLK信号マークにつながっています、というしるしです。
そこで次に、回路図bQを見てみることにしましょう。
●MYCPU80回路図bQ

[注記]ここももとは全体回路図を貼り付けていました。
上の図は、MYCPU80回路図bQの一部です。全体図は、左のリンクをクリックしてご覧ください。
なお回路図bQは全体が着色してあります。今回の組立作業で、この回路図にあるパーツは全部実装してしまったことを示しています。
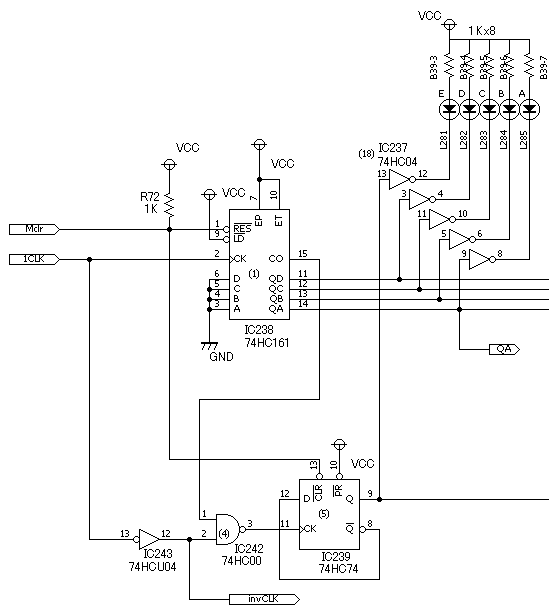
IC238(74HC191)2pin(CK入力)には、1CLKという矢印ラベルマークがついています。
回路図bPのCLK信号マークにつながっていることを示しています。
74HC191は4ビットのバイナリカウンタです。
CK端子に入力された2MHzは2分の1に順次分周されるので、QAからは1MHzが出力され、QBからは500KHzが、QCからは250KHzが、そしてQDからは125KHzが出力されます。
IC238(74HC191)のCO出力を受けて、IC239(74HC74)pin9(Q出力)からは、さらに2分の1の62.5KHzが出力されます。
各出力はIC237(74HC04)のゲートでバッファリングされてから、LEDを表示ドライブします。
IC237(74HC04)の各出力信号をオシロスコープで見ると、QA〜QEの方形波を見ることができます。
さらにそのQA〜QEの信号を入力して、T0〜T20、M0〜M7、W1〜W4の信号が74HC238から出力される様子もオシロスコープで見ることができます(MYCPU80回路図bQ)。
本当はここで、プリント基板のICを実装した写真などをお見せして、オシロスコープでの観測点を示したり、またそれぞれのポイントでのオシロスコープの波形写真をお見せできるとよいのですけれど、残念なことに、まだプリント基板が出来あがってきませんから、お見せすることができません。
なかなかに、もどかしい気持ちです。
今回の組立作業で基板に組付けたのは、上の2枚の回路図にあるパーツ以外にもまだあります。
それらがわかる、他の回路図も次回には準備してお見せすることにいたします(図面を準備するのもなかなか手間がかかるので大変なのです)。
今回、ここでお見せした回路については[第39回]でも説明していますので、復習の意味で、もう一度、そちらもお読みになってくださいませ。
[注記][第39回]の説明では、原発振クロックは8MHzになっていました(74HC74で1/2にするので、実際のCPUクロックは4MHzです)。現行の倍のクロックです。
CPUクロック4MHzでスタートしたものが、半分の2MHzになってしまった事情については、[第73回]、[第136回]あたりに書いてあります。
こうやってほぼ毎日のように、記事を書きながら、気がついたらもう一年以上が経ってしまいました。
感無量、です。
って、そんな、感慨にふけっている場合ではありません。
はやく説明書も基板も全部完成させてしまって、肩の荷をおろしてしまって、のんびりしたいぃ…。
2009.8.2upload
2009.8.3追記、再編集
2009.8.18追記、再編集
前へ
次へ
ホームページトップへ戻る