トランジスタでCPUをつくろう!
トランジスタで8080をつくってしまおうというまさにびっくり仰天、狂気のプロジェクトです!
☆☆☆☆☆☆☆☆☆☆☆☆☆☆☆☆☆☆☆☆☆☆☆☆☆☆☆☆☆☆☆☆☆☆☆☆☆☆☆☆☆☆
見事にできましたら、もちろんTK−80モニタを乗せて、それからBASIC、CP/Mを走らせましょう!
☆☆☆☆☆☆☆☆☆☆☆☆☆☆☆☆☆☆☆☆☆☆☆☆☆☆☆☆☆☆☆☆☆☆☆☆☆☆☆☆☆☆
[第325回]
●プルアップ抵抗は必要でした
[第310回]で「MOSFETは電圧駆動なのでプルアップ抵抗が必要ですがバイポーラトランジスタは電流駆動なのでプルアップ抵抗は必要ありません」と書きましたがとんでもない思い違い、浅慮でありました。
さらに書き方が舌足らずでもありました。
ただのMOSFET回路、バイポーラトランジスタ回路についての説明ではなくて、COMPLEMENTARY(相補的)回路を対象にしての説明でした。
確かにただのバイポーラトランジスタ回路の場合にはノイズ対策としてでなければプルアップ抵抗はなくても構いません。
しかし当ホームページで説明をしておりますバイポーラトランジスタ回路は2SA1015と2SC1815をペアにして使う回路です。
入力がHのときは2SC1815がONになり、逆に入力がLのときには2SA1015がONになります。
構造や働きはCMOSFET回路と同じCOMPLEMENTARY(相補的)回路です。
この回路の場合にはバイポーラトランジスタであってもプルアップ抵抗が必要でした。
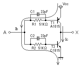
下の図で説明します。

この回路はTR04(インバータ)です。
図のようにプルアップ抵抗がない場合にはT1→R1→R2→T2の向きにVccからGNDに向かってベース電流(Ib)が流れてしまいます。
その結果T1とT2がともにONになってショート電流Icが流れます。
今Vcc=4.6Vと考えてそのときのIbを求めてみます。
T1とT2のOFF電圧をそれぞれ0.7VとするとR1+R2の両端の電圧は4.6−0.7−0.7=3.2Vです。
すると
Ib=3.2/102≒0.031mA
になります。
T1とT2のhFEが300だとすると
Ic=0.031×300=9.3mA
になります。
実際の回路を使って試してみました。
下はいままでにもテストで使ったTR04基板です。

左から4番目にプルアップ抵抗もLED表示回路も実装しないテスト回路を組みました。
上の回路図と同じ回路になります。
その部分を拡大しました。

最初に入力OPENではないときの基板全体の電流を測定しました。

テスト回路の入力をGNDに接続しました。
基板全体の電流は8.25mAです。
念のためにテスト回路の入力をVcc(4.6V)に接続しました。

基板全体の電流は8.26mAです。
テスト回路の入力を開放しました。

基板全体の電流はうんと増えて18.23mAになりました。
およそ10mAの増加です。
これが出力ショート電流と考えられます。
上で計算したhFE=300の場合の数値に近い結果になりました。
様子を見ていますと、この電流値は時間が経過するにつれてすこしずつ増大していきます。
まあベース電流がわずかですからトランジスタが焼損するようなことはないとは思いますけれど。
しかし抵抗を1本追加すれば済むことですから、バイポーラトランジスタ回路でも入力OPENは避けるべきでしょう。
もちろんロジック回路としてこのような動作は困ります。
結論としまして。
バイポーラトランジスタ回路でも、特にCOMPLEMENTARY(相補的)回路では、プルアップ抵抗は必要でありました。
しっかり確認しないでいい加減なことを書いてしまったことを深く反省しております。
ここに伏してお詫び申し上げます。
トランジスタでCPUをつくろう![第325回]
2021.3.18upload
前へ
次へ
ホームページトップへ戻る