KL5C80A12マイコンボードの製作
〜〜〜〜〜〜〜〜〜〜〜〜〜〜〜〜〜〜〜〜〜〜〜〜〜〜〜〜〜〜〜〜〜〜〜〜〜〜〜〜〜〜〜
KL5C80A12はZ80互換の高速高性能8ビットマイクロコントローラです。
残念なことに数年前に生産中止になってしまいました。
しかし当社ではKL5C80A12を使った組込みマイコンボードはまだ健在です。
そのKL5C80A12を使ったND80Z3.5上位互換マイコンボードの製作記事です。
〜〜〜〜〜〜〜〜〜〜〜〜〜〜〜〜〜〜〜〜〜〜〜〜〜〜〜〜〜〜〜〜〜〜〜〜〜〜〜〜〜〜〜
[第67回]
●新ZBK開発セットのリニューアル(2)FT245BLとPIC18F14K50の回路図
前回からの続きです。
前回は現行のZBK開発セットのUSBインターフェースICが「FT245RL」ですと書きましたが「FT245BL」の間違いでした。
現在は訂正済みです。
下はFT245BLのピンレイアウトです。

[出典]Future Technology Devices Intl.Ltd. FT245BL Data Sheet
こちらは新ZBK開発セットのUSBインターフェース基板です。

上半分はROM WRITER回路です。
下半分がUSBインターフェース回路です。
下は新ZBK開発セットのUSBインターフェースの回路図です。

FT245BL部分の回路は省略してあります。
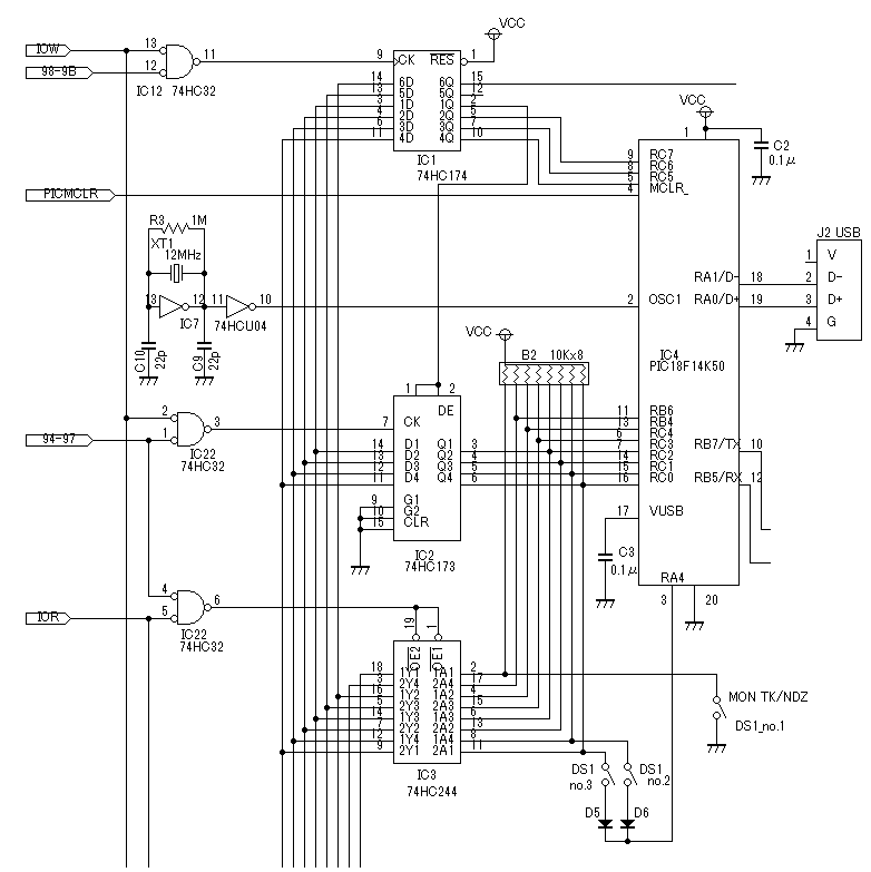
そしてこちらがND80KL/86のUSBインターフェース回路です。

ND80KL/86組立キットの回路図ではUSBインターフェース回路のほかにI/O回路などが一緒になっていますが煩雑になるのでUSBインターフェース以外の回路は省略してあります。
今回の作業ではFT245BLを使ったUSBインターフェース回路を上図のPIC18F14K50を使った回路に置き換えたいと考えたのですが、上図の回路と同じ回路に置き換えるわけにはいきません。
ND80Z3.5やND80KL/86などでは上図の回路にするとともにWindowsパソコンの側のプログラムもそれに合わせてもとのZBK用のプログラムを大きく書き換えました。
もちろんそれだけでは使えませんからND80Z3.5やND80KL/86の側のシステムROMのプログラムも上図の回路が機能するようなプログラムとして作成しました。
しかしZBK組込ボードではそういうわけにはいかないのです。
この「組込ボード」というところがキーポイントです。
過去ずっと長い間組込ボードとして使っていただいているボードです。
互換性という観点から、そのシステムROMをある日突然変更するというわけにはいきません。
これは難題でした。
CPU側から見てFT245BLの回路はPIC18F14K50の回路とは当然異なっています。
当然のことながらそのためのプログラムも違います。
その違って当たり前のプログラムをもとのFT245BLに対するプログラムのままインターフェース回路だけをPIC18F14K50の回路に置き換えなければ今回の作業をする意味はなくなってしまいます。
どだいそれは無理でありましょう。
ですけれど。
そこをなんとかしたい。
次回に続きます。
KL5C80A12マイコンボードの製作[第67回]
2022.4.11upload
前へ
次へ
ホームページトップへ戻る