8080マイコンをつくろう!(TK−80完全復活!)
なんと8080です!
もちろん、BASICからCP/Mまで、できます!
36年の時を経ていまよみがえる8080CPUマイコン組立キット!
なんたってはるか昔の生産中止品を集めて作る組立キットです。
生産前から堂々予告です。
入手できなくなったら即生産終了!売り切れ御免!
[第10回]
●誤配線はまだありました
前回はステップ回路にまさかの配線ミスがみつかったことについて書きました。
じつは配線ミスはそれ以外にもありました。
基板を発注する前にはしっかり確認はしているのですが、それでも見落としだとか考えが足りなかったところなどがあったりして、基板ができてきて実際に部品を実装して試運転をしてはじめてミスに気付くことがあります。
ステップ回路以外の誤配線はメモリ回路でみつかりました。
メモリ回路の回路図は[第7回]にありますが、下はその一部です。

回路図は間違っていませんが、基板の配線をするときに、IC25(HC32)のpin10をIC23(HC32)のpin12につながなければならないのに、うっかりしてpin11につないでしまいました。
下はその部分を修正した写真です。

IC25(HC32)のpin10のラインをカットして、IC23(HC32)のpin12にジャンパ配線をしました。
●プルアップ抵抗を忘れていました
そのほかにもミスがみつかりました。
プルアップ抵抗を忘れていたところが何箇所かありました。
普通にCPUが動作をしているときは、プルアップ抵抗がなくても特に問題はおきませんが、たとえばLED表示のためのDMAの期間中などでCPUの出力がOFFになると、入力がハイインピーダンスになるため誤動作につながる可能性があります。
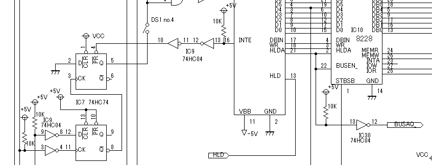
下はCPU周りの回路図の一部です。
CPU周りの回路図は[第7回]にあります。

IC9(HC04)のpin3、pin9、pin13とIC30(HC04)のpin13に10KΩのプルアップ抵抗を追加しました。
下はIC9(HC04)のpin3、pin9、pin13に10KΩのプルアップ抵抗を追加した写真です。

そして下はIC30(HC04)のpin13に10KΩのプルアップ抵抗を追加した写真です。

元の写真ではpin1に追加していたのですが回路図のミスでpin13の間違いであることがわかりましたので付け直しました。
この写真は正しく付け直したあとの写真です(2016.4.15)
上の回路図とその下につけた説明も違っていたので差し換えました。
上の回路図は修正済みのものです(16.4.18)
8080マイコンをつくろう![第10回]
2016.3.28upload
2016.4.15写真差し替え
2016.4.18回路図差し替え
前へ
次へ
ホームページトップへ戻る